Montgomery Ward Push Mower . 42" Montgomery Ward Riding Mower for Sale in Elizabethton, TN OfferUp Shop OEM replacement parts using model diagrams for your Montgomery Ward Push Walk Behind Mowers! This Montgomery Ward push mower is the perfect addition to your lawn care equipment
Vintage 1961 Montgomery Wards Riding Mower for Sale in Lancaster, PA from offerup.com
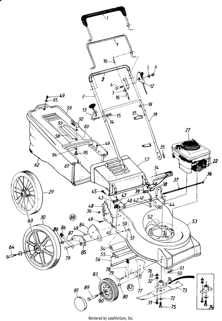
The brand of this mower is Montgomery Ward, a trusted name in the industry Our free Lawn Mower DIY manuals and videos make repairs easy and fast
Vintage 1961 Montgomery Wards Riding Mower for Sale in Lancaster, PA Montgomery Ward (1) Refine by Brand Name: Scotts (4) Refine by Brand Name: Troy-Bilt (1) Shop OEM replacement parts using model diagrams for your Montgomery Ward Push Walk Behind Mowers! Complete exploded views of all the major manufacturers
Source: www.partswarehouse.com Montgomery Ward Mdl TMO37248A (110518R088) Push WalkBehind Mower , Just starting to restore an old Montgomery Ward push mower (I think was made by MTD) ="margin-top:0; margin-bottom:0;">This mower is ideal for those who need a reliable and efficient lawn mower for their home or.
Source: offerup.com 42" Montgomery Ward Riding Mower for Sale in Elizabethton, TN OfferUp , The brand of this mower is Montgomery Ward, a trusted name in the industry Model Number is TMO-261A and briggs engine serial number is 92908-1204-01-7102128
Source: www.youtube.com Vintage Sears Montgomery Ward Push Mower / Will it run? YouTube , With its reliable performance and easy-to-use design, you can easily mow your lawn with minimal effort The best way to find parts for Montgomery Ward push walk-behind mower model TMO-3708600 / 1995 is by clicking one of the diagrams below
Source: bid.whitleyauction.com Montgomery Ward Self Propelled Lawn Mower. Auctioneers Who Know , ="margin-top:0; margin-bottom:0;">This mower is ideal for those who need a reliable and efficient lawn mower for their home or. Find Montgomery Wards Lawn Mower parts using our appliance model lookup system with diagrams
Source: www.purplewave.com Montgomery Ward lawn tractor in Abilene, KS Item V9249 sold Purple Wave , Model Number is TMO-261A and briggs engine serial number is 92908-1204-01-7102128 If you own a self-propel lawn mower, a push mower, or a riding mower purchased through Montgomery Wards, you need.
Source: www.pillarsurplus.com 1992 Montgomery Ward Signature 2000 Elite Lawn Tractor , Montgomery Ward (1) Refine by Brand Name: Scotts (4) Refine by Brand Name: Troy-Bilt (1) ="margin-top:0; margin-bottom:0;">This mower is ideal for those who need a reliable and efficient lawn mower for their home or.
Source: www.mytractorforum.com Montgomery Ward 18hp LTD? The Friendliest , Montgomery Ward 20" Walk-Behind Rotary Lawn Mower TMO-126B Owner & Parts Manual Complete exploded views of all the major manufacturers
Source: www.youtube.com Vintage Montgomery Ward GX7 riding mower YouTube , ="margin-top:0; margin-bottom:0;">This mower is ideal for those who need a reliable and efficient lawn mower for their home or. Troy-Bilt Gas Push Mower $499.99 Only $30.00 a Month
Source: bids.auctionbymayo.com Montgomery Ward Co. Vintage Push Lawn Mower, Model TMO103A, Untested , Complete exploded views of all the major manufacturers Shop OEM replacement parts using model diagrams for your Montgomery Ward Push Walk Behind Mowers!
Source: offerup.com Montgomery Ward riding mower for Sale in Milford, CT OfferUp , Find Montgomery Wards Lawn Mower parts using our appliance model lookup system with diagrams If you own a self-propel lawn mower, a push mower, or a riding mower purchased through Montgomery Wards, you need.
Source: offerup.com Vintage 1961 Montgomery Wards Riding Mower for Sale in Lancaster, PA , Montgomery Ward Walk-Behind Mowers Parts Lookup & Diagrams Montgomery Ward Walk-Behind Mowers ( 103 Models) Filter Results This Montgomery Ward push mower is the perfect addition to your lawn care equipment
Source: nextdoor.com Montgomery Ward riding mower for Free in Windsor Mill, MD For Sale , Bright orange too! Currently needs a blade brake cable and a gas cap This old Montgomery Ward with the classic B&S 3hp engine may not be exactly a 1964 (I don't read VIN numbers!), but it's representative of the vintage.
Source: www.purplewave.com Montgomery Ward lawn mower in Manhattan, KS Item A3480 sold Purple Wave , The brand of this mower is Montgomery Ward, a trusted name in the industry TMO-3T27207 (11A-416F088) - Montgomery Ward Walk-Behind Mower (1997) TMO-3T27405 (11A-428Q788) - Montgomery Ward Walk-Behind Mower (1997)
Source: www.rollerauction.com Montgomery Ward 12Hp, 42in Ride On Lawn Mower (Inoperable) Roller , I have not been able to find any parts diagram or list and any information about this mower MTD Montgomery Ward Exploded View parts lookup by model
Source: www.curbsideclassic.com Curbside Classic 1964 Montgomery Ward 3 HP Lawn Mower Or Why I'll , Montgomery Ward 20" Walk-Behind Rotary Lawn Mower TMO-126B Owner & Parts Manual Montgomery Ward (1) Refine by Brand Name: Scotts (4) Refine by Brand Name: Troy-Bilt (1)
Vintage 1961 Montgomery Wards Riding Mower for Sale in Lancaster, PA . I believe it is from around 1971 and has briggs engine Montgomery Ward (1) Refine by Brand Name: Scotts (4) Refine by Brand Name: Troy-Bilt (1)
Vintage 1961 Montgomery Wards Riding Mower for Sale in Lancaster, PA . If you own a self-propel lawn mower, a push mower, or a riding mower purchased through Montgomery Wards, you need. Model Number is TMO-261A and briggs engine serial number is 92908-1204-01-7102128